登高車電機
產品型號:ZYT-126BFC-L 、 ZYT-126BFC-R
電機類型:永磁直流電機
電機功率:400W/450W/500W定制
電機轉數:2600rpm/定制
工作電壓:24V/定制
行業用途:液壓登高車等高空作業平臺機械設備
產品產地:浙江寧波
生產廠家:寧波市鎮海三元機械廠
詢價熱線:13566356715(張先生)
產品概述
ZYT-126BFC系列登高車專用電機是本廠研發生產的一款高性能永磁直流電機,是驅動液壓升降系統工作的關鍵部件,廣泛應用于登高車、升降車、取貨車等機械設備上。這款電機采用了先進的技術和優質材料制造而成,確保了其出色的性能和穩定的品質。憑借其卓越的工作表現,贏得了國內外眾多知名品牌的信賴與青睞,成為了行業內備受推崇的選擇。
為了更好地滿足不同客戶的需求,我們提供了多種定制化設計方案。電機可以根據客戶的實際應用情況加裝剎車裝置、防水功能以及配備端子連接器等。此外,電機的功率、轉速、出軸長度尺寸以及引線尺寸等參數均可依據客戶的要求進行個性化調整,確保電機能夠匹配各種應用場景。通過這種高度的靈活性和定制化服務,我們不僅為客戶提供了更廣闊的選擇空間,還確保了每一位客戶都能獲得適合其需求的解決方案。我們的全球化銷售策略更是保證了無論客戶身處何地,都能享受到我們高質量的產品和周到的服務。
規格參數
電機型號:ZYT-126BFC
額定功率: 400W
額定電壓:24V
額定電流:24A
額定轉速:2600rpm
工作制: S2 60min
絕緣等級: H
轉向:CW/CCW/定制
注:以上所列登高車電機的參數信息僅供參考,詳細參數請以實際產品為準。
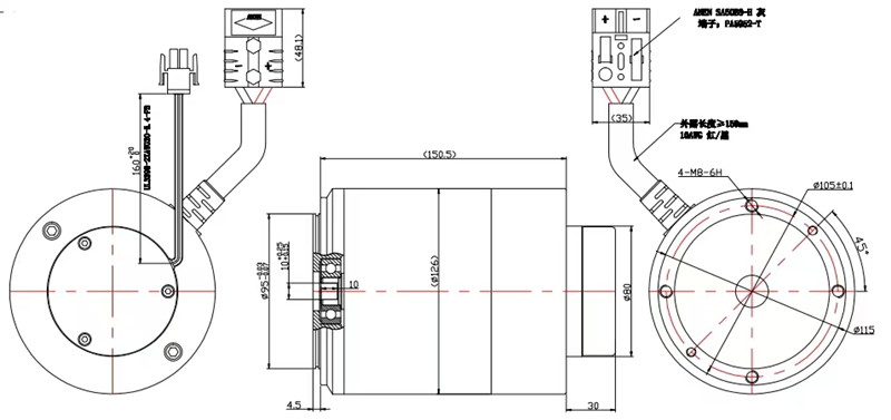
外形尺寸

產品視頻
公司簡介
寧波市鎮海三元機械廠是一家成立于1992年的科技型企業。我們專注于各類中小型電機的研發、制造和銷售。公司擁有一流的技術團隊和先進的生產設備,可以為客戶提供專業的技術支持,并按客戶要求提供定制化的服務。產品深受國內外客戶的信賴和稱譽。
公司成立時間:1992年廠房建筑面積:14000㎡
累積服務客戶:200+家
生產電機總數:40萬+臺
涉及行業領域:10+個
銷售國家地區:20+個

公司擁有強大的營銷和服務網絡,覆蓋全國各地,包括上海、北京、浙江、深圳、吉林、遼寧、江西、天津、山西、河北、河南、云南、陜西、山東、江蘇、安徽、甘肅、福建、重慶、四川、湖南、湖北、廣東、黑龍江、廣西、海南、貴州、西藏、新疆等地區,我們不僅為客戶提供及時的技術支持,更為客戶提供可靠的售后服務,我們始終堅持關懷客戶并完善服務的理念,為客戶創造更加愉悅的訂購體驗。
生產設備
我公司嚴格按照iso9001:2015標準來嚴格規范工廠的生產質量管理,擁有一整套完整先進的生產、加工設備,如自動繞線機、線圈整形機、液壓氣動設備、點焊機、點膠機、綁線機、打標機、車床、鉆床、液壓機、切削機等一系列先進生產設備,在保證產品質量的同時能夠保證高效的供貨能力。

點焊機

精車機

轉子自動繞線機

自動綁線機
工序流程

檢測設備
我公司引進了電機性能測試系統、電磁測功機、電樞綜合測試系統、電機自動測試系統、動平衡測試儀、噪音測試儀等一系列先進的檢測設備保證產品品質。
我們擁有實力強大的qc團隊,從原材料采購到出貨的整個過程均有嚴格的質量控制系統,保證每一環節都符合要求。我們的檢驗標準涵蓋了電機的外觀、結構、性能、安全性和效率等方面的檢驗要求,確保電機質量和安全性。所有出廠的產品100%全檢。

電機性能測試系統

動平衡測量儀

定子綜合測試臺

電機自動測試系統
合作伙伴
我公司的合作客戶遍布全國,并在國際市場上同樣贏得了廣泛的認可與贊譽。我們秉承“品質至上,客戶至上”的服務理念,從產品設計到生產制造,始終堅持精益求精,力求為每一位客戶提供更好的產品和服務。公司員工憑借不懈的努力,持續地推進市場開拓與強化營銷推廣。我們與眾多行業龍頭企業建立了穩固的長期合作關系,所提供的卓越產品與服務廣受這些合作伙伴的高度評價。

榮譽證書
我公司及其兄弟公司“元益機電”均已通過了ISO9001質量管理體系認證。此外,該公司的產品均符合CCC、CE等國際質量認證,并擁有多項外觀設計專利、發明專利及實用新型專利證書。且該公司早在2019年就已被認定為國家高新技術企業。

高新技術企業

創新驅動先進獎

鎮海區企業工程技術中心

ISO9001質量管理體系認證
訂貨須知
訂購產品:客戶確定參數選擇匹配的電機;或者按客戶圖紙及樣品定制電機,確保您訂購的電機符合您的需求。
交貨日期:交期根據客戶訂購的型號和數量不同而不同。在常規款產品方面,我們有一定的原材料備貨,交期會比較短;客戶定制款產品交期相對長一點,我們會竭盡所能早日完成。
付款方式:按照合同約定,我們接受多種付款方式
物流配送:會根據客戶需求來選擇最適合的配送方案
產品包裝:我們提供常規普通包裝,包裝方式會根據產品型號尺寸等具體情況而定;另外,我們也為客戶提供定制包裝服務,以確保產品可以順利送達客戶手中。


 
 

